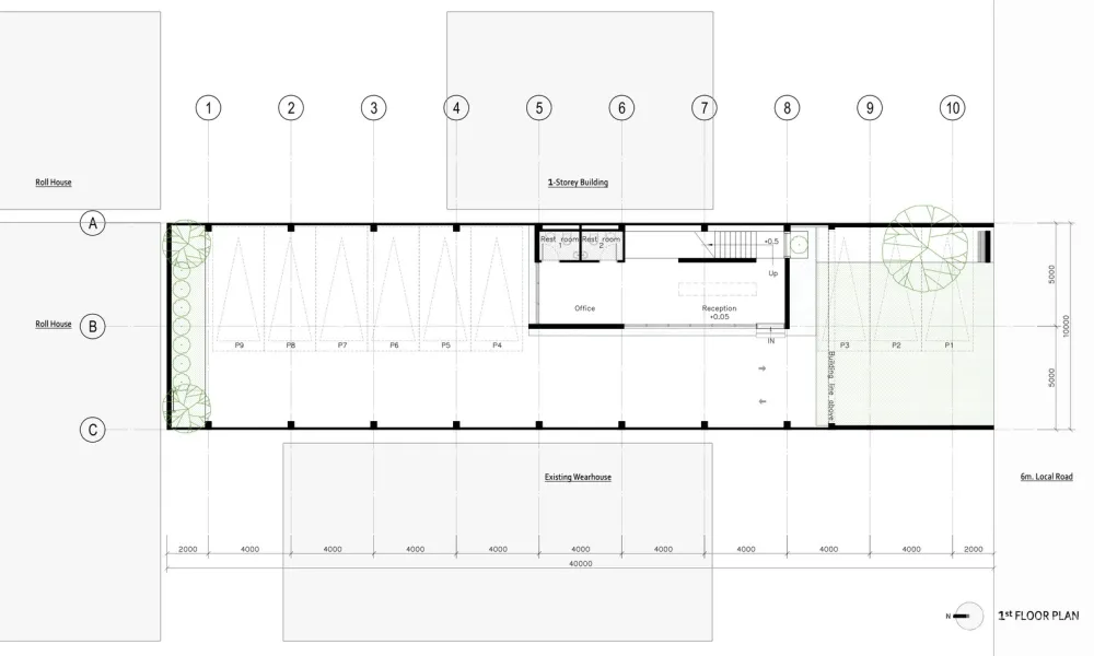
Est 64是一个1000平方米的办公楼项目,由Punnawithi火车站Sukhumvit 64上一个有40年历史的仓库改造而成。原仓库建筑为双层钢筋混凝土结构,一层为夹层,一层为平顶。它坐落在一块狭长的土地上,宽10米,长40米。
建筑正面朝西,有一个10 * 10平方米的露天庭院。建筑与当地的一条道路平行,对面是一所国际学校的停车场。建筑的后部靠近通往苏呼米特路的roll house,这使得Est 64成为一个非常方便的位置。在施工阶段,左边的一幢单层建筑成为承包公司的临时工地办公室。建筑右侧是带有金属卢浮宫立面的仓库,后来成为Est 64项目的灵感来源。
程序和要求 Est 64项目总建筑面积1000平方米,拥有9个停车场,其中6个可转换为仓储空间。 -作为设计概要的一部分,客户要求建筑立面具有强烈的建筑特色,灵活的空间将适合不同的用途,如办公空间、设计工作室、画廊、仓库和仓库等。

-在每段时间内,新楼应具弹性,以容纳单一或多个租户。 -我们的目标是在最小流通的情况下,最大限度地扩大可出租的楼面空间。 -作为设计过程的一部分,我们扩展了平屋顶,以获得额外的可用空间。 围绕现有建筑的独特特点,我们开发了一种不需要完全拆除的符合客户要求的设计。
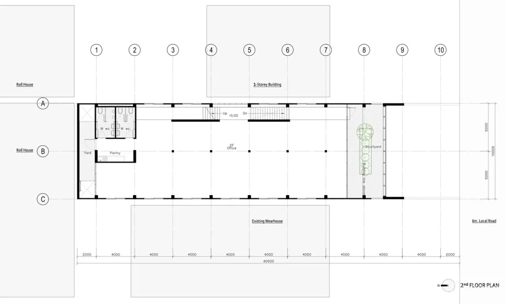
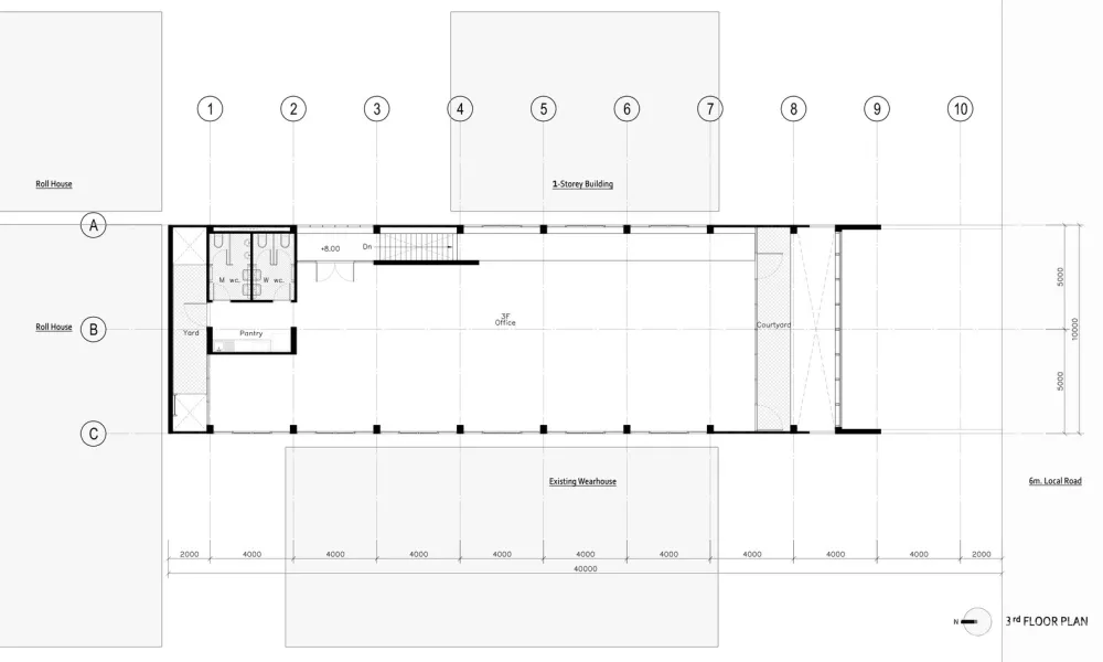
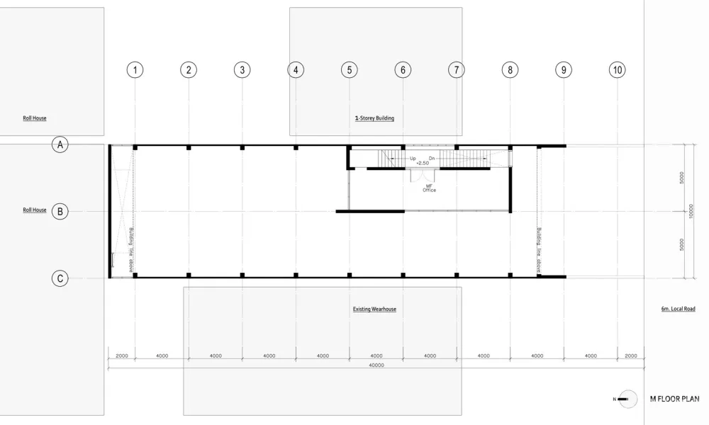
规划和布局 Est 64项目是一个三层高的建筑,一层为夹层。屋面设计采用夹层屋面结构体系。通过拥抱开放的庭院,主入口向后延伸了10米。在每一层,你可以找到卫生间、食品储藏室和阳台露台作为分隔空间

第一层有5米高的楼层至天花板,这使得大型卡车可以到达,作为潜在的艺术工作室、画廊和仓库或存储的目的。夹层是一个紧凑的2.5米高的工作空间,潜在的行政和会计部门。一个巨大的平台将二楼广阔的开放空间洒满阳光,使其成为一个多用途的空间。三楼的延伸屋顶为裸露的屋顶结构,天花板高,阳台小。这个空间适合潜在的画廊、办公室或管理工作区域。
作为最小化流通面积和控制用户路线方向的措施,一段楼梯将建筑从一层连接到三层。它被设计成一个半室外公共区域,只需要很少的维护,不需要空调。在建筑立面的一侧,穿孔砖沿着楼梯用于通风和获得自然光。

设计概念 我们受到启发,创建了一个“旧而新”的建筑,既尊重周围社区的环境,又具有很强的建筑特色。通过在Est 64的第二层和第三层立面后面引入绿色休闲空间的露台,我们希望在创造“工作生活平衡”的理念中为未来的用户提供突破性的空间。

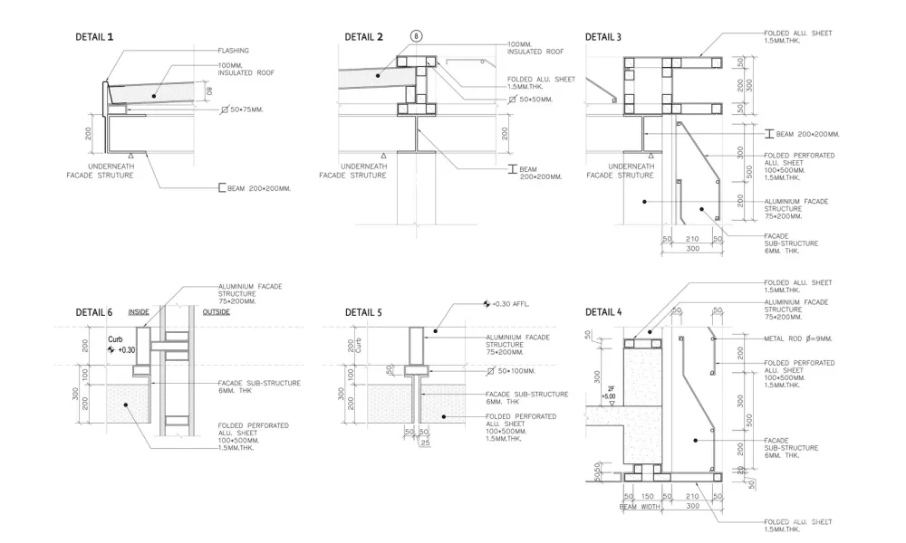
三层挑高空间的屋顶扩建部分由工字梁柱、椽和檩条组成。这些建筑元素作为独立的屋顶结构单元设计在模块化网格系统中。
在接近建筑的过程中,折叠穿孔铝板将会突出建筑立面。为保障使用者的私隐及提供一个良好的工作环境,我们以1:1的模型测试铝板的不同穿孔尺寸。采用斜椽柱体系设计了100mm轻型夹层屋面体系;这种方法有效地减少了所需的檩条和结构构件的数量。
连接建筑的楼梯在空间上又长又窄;其与办公空间的空间划分被视为一个全高度的功能墙,覆盖了人造木材条。
环境友好型热带建筑是Est 64项目的一个重要设计元素。建筑的朝向、立面开口、周围环境都是改造过程中的设计考量。为了创建一个有效的节能建筑,与太阳朝向相关的规划和布局是非常重要的。楼梯和卫生间被巧妙地放置在南边,创造了一个热缓冲。立面和露台上的建筑元素作为阳台和迷你花园的滤网,同时保护空间免受西方阳光的照射。前后立面的开口为建筑空间提供了良好的交叉通风。































地址:泰国 日期:2018 摄影师:Chalermwat Wongchompoo
版权声明:本文内容由用户自行发布上传或投稿由设计芝士代为发布,版权归原作者所有,设计芝士不拥有其著作权,亦不承担相应法律责任。如果您发现本站中有涉嫌抄袭或侵权的内容,请点此提交工单进行举报,一经查实,本站将立刻删除涉嫌侵权内容。

