【施工工艺】细部节点构造丨标准图集丨工装、家装丨PDF版+JPG高清丨122M
【名称】 【施工工艺】细部节点构造丨标准图集丨工装、家装丨PDF版+JPG高清丨122M
【格式】 PDF+JPG格式
【大小】 122M
本文展示内容为部分内容,素材实际内容多于本文展示内容!

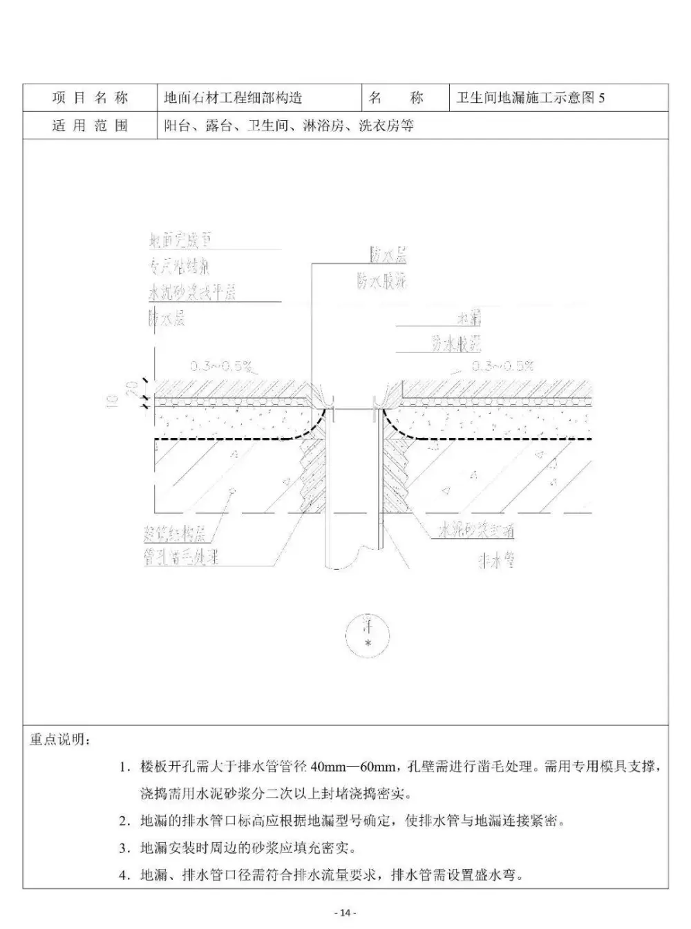
– 下面是部分案例截图 –




































【施工工艺】细部节点构造丨标准图集丨工装、家装丨PDF版+JPG高清丨122M
【名称】 【施工工艺】细部节点构造丨标准图集丨工装、家装丨PDF版+JPG高清丨122M
【格式】 PDF+JPG格式
【大小】 122M
本文展示内容为部分内容,素材实际内容多于本文展示内容!

– 下面是部分案例截图 –




































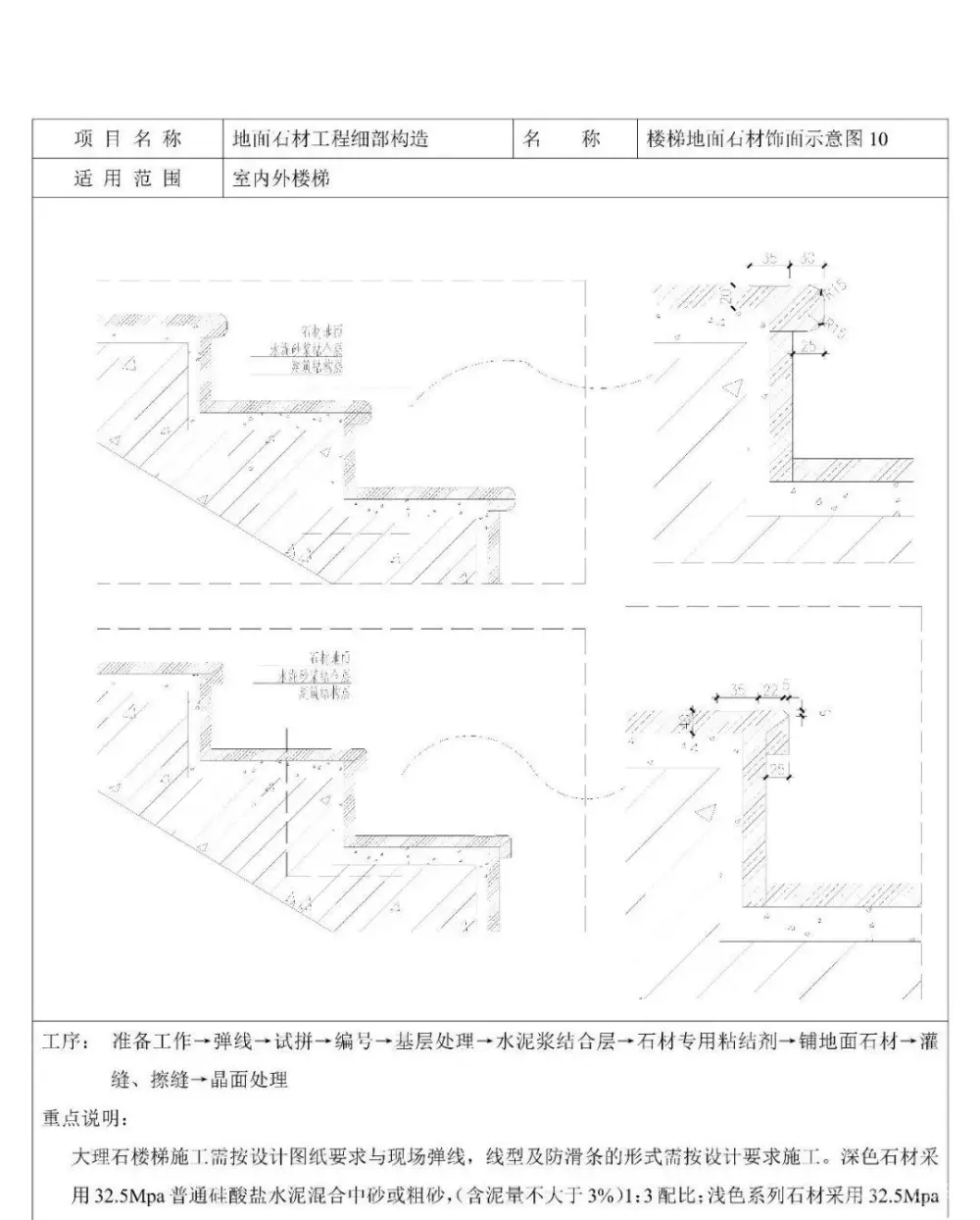
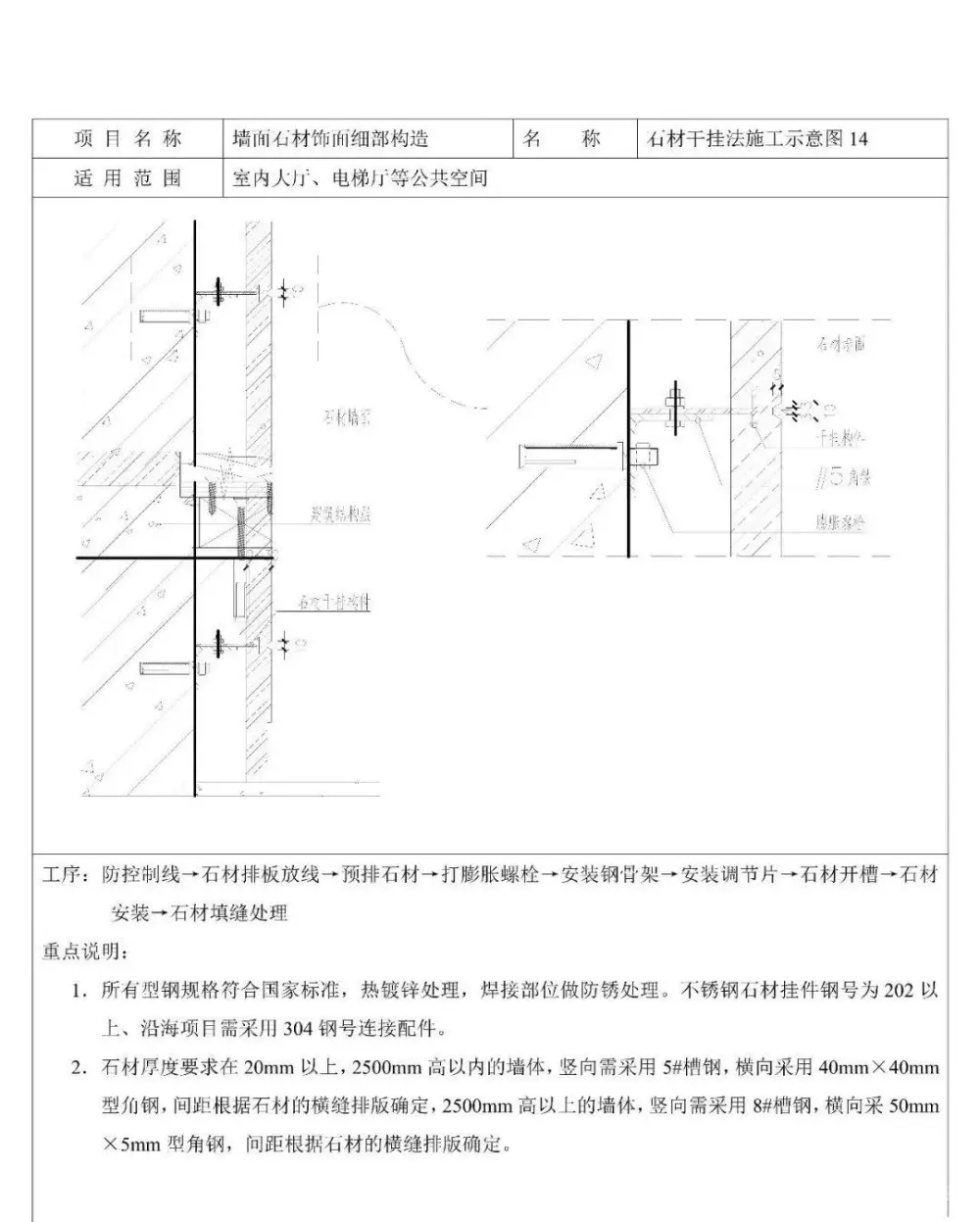
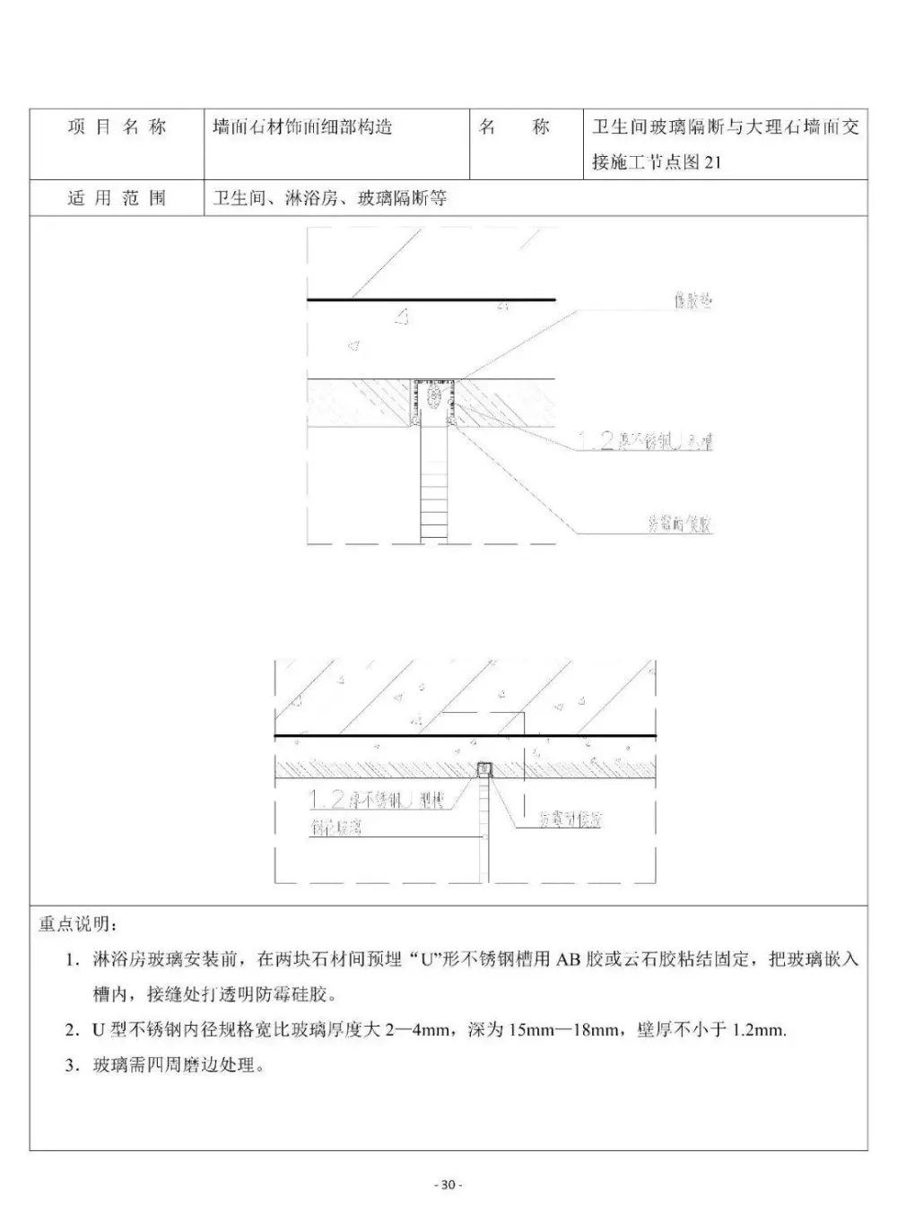
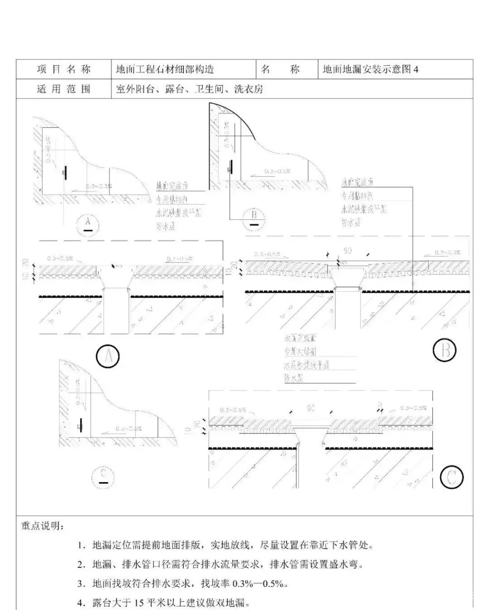
细部节点构造